header_image
left_column_top presentazione/contatti Laboratorio analisi Aziende rappresentate Attrezzature usate Studio impianti vinificazione Bag in a box
left_column

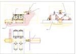
STUDIO e PROGETTAZIONE IMPIANTI DI VINIFICAZIONE

In questi anni abbiamo affiancato numerosi colleghi enologi nell’affrontare le varie problematiche di realizzazione di nuovi impianti di vinificazione e di imbottigliamento o nella loro razionalizzazione.
La capacità di coniugare le esigenze dell’enologo con le esigenze del progettista  o del costruttore ha così potuto generare soddisfazione e risultati molto positivi. In cantina non esiste una unica soluzione per lo stesso problema ed è opportuno saper proporre quindi le diverse possibilità.
Questo ci ha portato ad essere sempre aggiornati sulle ultimissime novità del settore, fattore a nostro avviso fondamentale per  continuare ad essere protagonisti nel successo dei nostri clienti.

cantina vinificazione
Impianto ricezione uva
Linea imbottigliamento
Proposta impianto ricezione uva
Ricezione uva
Pianta impianto ricezione uva
Ricezione uva
Linea imbottigliamento